Ahoj, taky jsem o víkendu řešil chlazení výtisku a taky jsem ho chtěl mít řízené. Nechtělo se mi ale objednávat a čekat, než mi výše uvedený modul přijde

. Navíc se mi na tom modulu nelíbí, že zabere všechny pozice na serva.
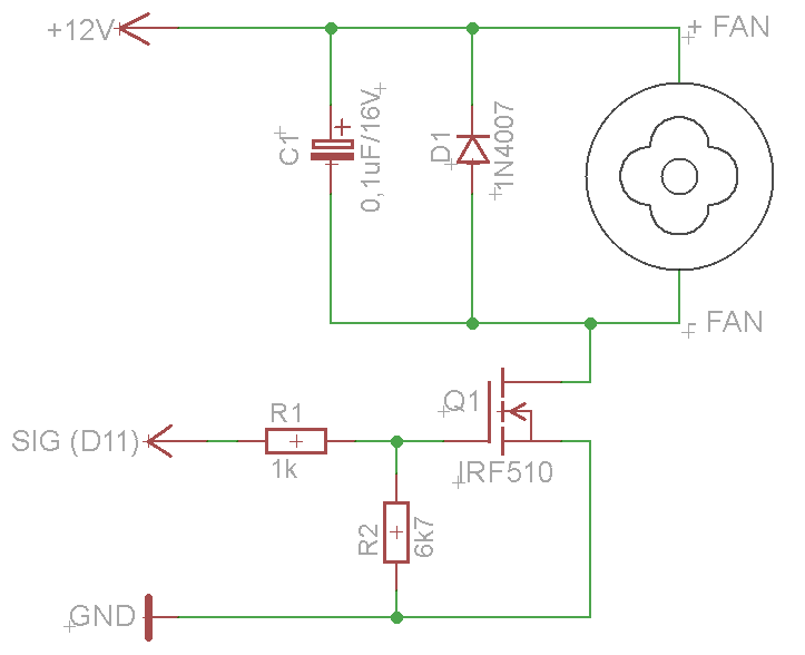
Našel jsem schema zapojení na
http://www.thingiverse.com/thing:22202 a rozhodl jsem se ho postavit. Dále se pokusím popsat komplet stavbu až po oživení:
1) Stavba spínače: Lehce jsem změnil součástky spínače podle šuplíkových zásob. Oproti původnímu zapojení jsem změnil diodu 1N4001 na 1N4007. Obě jsou na stejný proud, pouze mnou použitá je na vyšší napětí, což nevadí. Druhou změnou je použití MOSFETu IRF510 místo IRF540. V podstatě jsou stejné, mnou použitý je na nižší proud 5,6A, což je pro ventilátor více než dost

. Veškeré změny, popisy součástek a propojení s Ramps najdete na přiložených obrázcích. Jen poznámka ke kondenzátoru, na obrázku mám uvedeno 0,1uF/16V. Těch 16V je minimum. Větší je lepší

.
2) Nastavení firmwaru: Používám firmware "Repetier_RII_91_V8_full_GLCD" stažený od JRC a elektroniku Arduino MEGA 2560 s RAMPS 1.4, a tak se úpravy týkají pouze tohoto firmwaru a hardwaru, jinou kombinaci jsem nezkoušel. Firmware otevřete v Arduino IDE a proveďte:
a) na kartě pins.h je třeba přiřadit PWM výstup arduina na vybraný pin. V mém případě je to pin D11, viz obrázek RAMPSu níže. Pokud tam máte už servo na leveling, můžete vybrat D6, D5 nebo D4. Já si vybral pin D11, takže na řádku 352 mám: #define ORIG_FAN_PIN 11
b) na kartě Configuration.h je třeba na řádku 310 změnit #define FEATURE_FAN_CONTROL 0 na #define FEATURE_FAN_CONTROL 1
c) Nahrejte firmware do Arduina
Poznámka: FEATURE_FAN_CONTROL 1 umožňuje softwaru Repetier Host ovládat ventilátor. Způsob ovládání se nastavuje na kartě Fillament Settings/Cooling. Ovládání ventilátoru je možné také přes LCD tiskárny. Doporučuju si nejprve zkontrolovat, od kolika procent se začne ventilátor otáčet. Repetier Host má v defaultu 35% jako minimum. No můj větrák se roztočí až při 45%.
Poznámka II: Měl jsem dotaz na ovlivnění funkce chlazení extruderu, odpověď zde: Funkce ventilátoru na D9 pro chlazení extruderu zůstává beze změny stejná, takže extruder je chlazen od 50°C, jako původně. Původní hodnota ORIG_FAN_PIN 9 v pins.h je ve firmware od JRC zavádějící. Pro chlazení extruderu je v tomto firmware použito ovládání heateru pro druhý extruder, viz v pins.h řádek 357, kde je #define HEATER_2_PIN 9 a s tím související řádek 92 v Configuration.h, kde je #define EXT0_EXTRUDER_COOLER_PIN HEATER_2_PIN.
Spínač jsem postavil a i s nastavením firmware vše běhá na první dobrou. Protože nejsem elektrikář, berte tento návod jako inspiraci. Za případné škody neručím

.