Před založením nového vlákna se zamyslete, jestli skutečně není kam zařadit a ušetřte tím adminům práci se zbytečným dodatečným tříděním fóra. Děkuji za pochopení. Klidně zde diskutujte o "pikačovinách", OT nebudou řešeny. Tedy stručně řečeno "HNOJNÍK PATŘÍ SEM"

od Klaudius » 17.08.2020 09:09
Palce hore, parádna práca. Začínam mať pokušenie...
-
Klaudius
-
- Příspěvky: 177
- Registrován: 15.02.2016 12:15
- Bydliště: Bratislava - okolie
- Reputation: 5

od tomasber » 24.08.2020 08:56
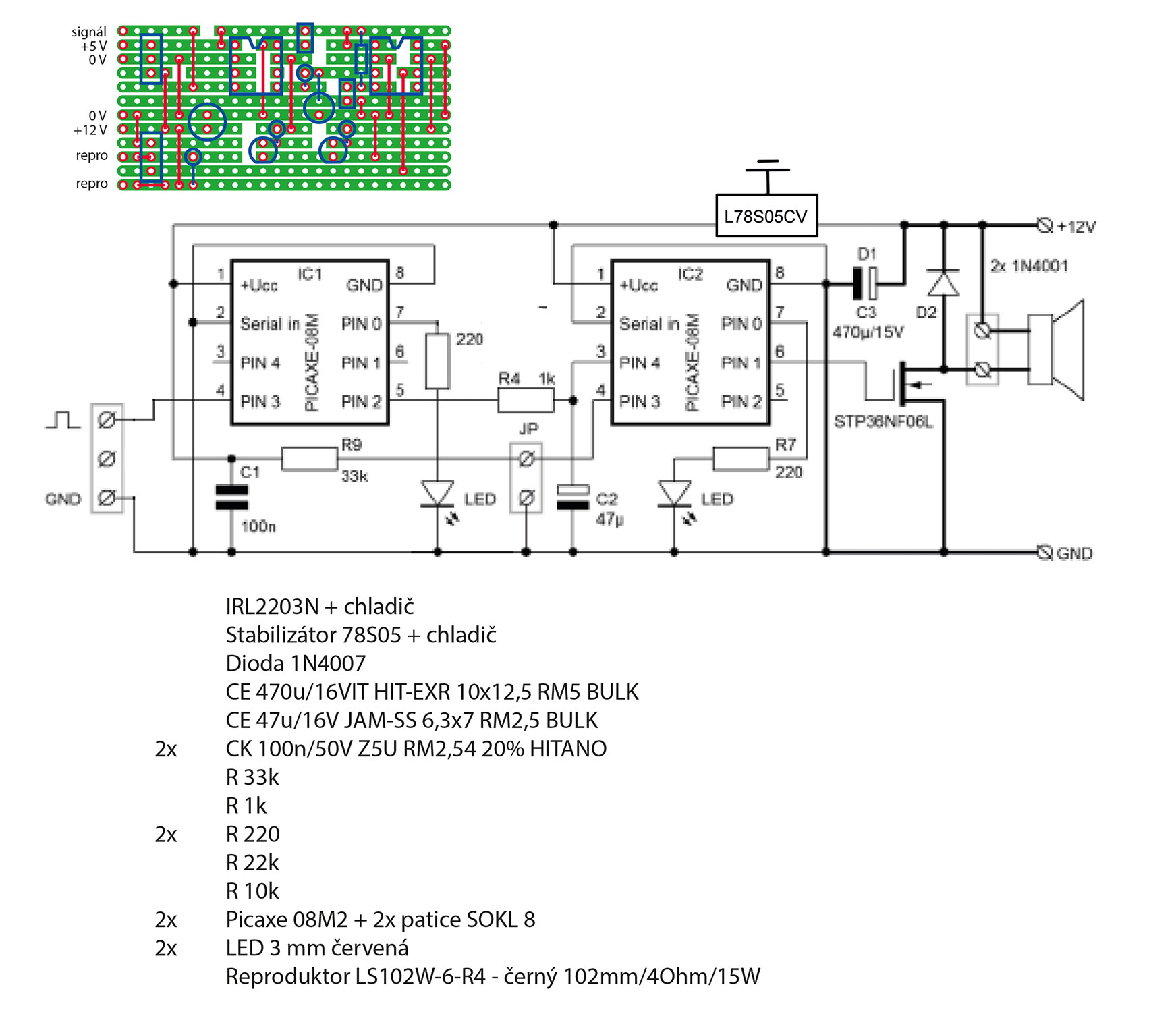
Luboši prosímtě, na stránkách píšeš: "Přidána složka sound s návodem na zvukový modul s procesorem Picaxe." Mohl bys mě naměrovat, kde ho najdu? Nevím co myslíš "složkou", v postahovaných návodech nevidím. Díky
-
tomasber
-
- Příspěvky: 32
- Registrován: 21.02.2019 06:34
- Bydliště: Trutnov
- Reputation: 0
-
od lubosh » 24.08.2020 10:35
Složka souborů "Sound" se nachází v odkaze, který posílám všem, kdo si STL tanku zakoupili.
Nejsem autorem zvukového modulu, jen jsem provedl pár úprav ve schématu a v programu ptro Picaxe (08M2).
-
lubosh
-
- Příspěvky: 1101
- Registrován: 19.11.2014 16:42
- Bydliště: Praha 10
- Reputation: 12

-
od tomasber » 24.08.2020 10:53
Dík za vysvětlení. Až přijdu na to, kam bych takovou 70cm krásnou obludu doma umístil tak, aby mě manželka nevyhodila i s ní, dojde i na zakoupení....

Myslel jsem, že bych zatím zkusil zvukmodul do aut od 3dsets. Pohledám.
-
tomasber
-
- Příspěvky: 32
- Registrován: 21.02.2019 06:34
- Bydliště: Trutnov
- Reputation: 0
-
Zpět na Co se nikam jednoznačně nehodí :)
Kdo je online
Uživatelé procházející toto fórum: Google [Bot], Majestic-12 [Bot] a 4 návštevníků