REBEL II - Laser cutter - TEST :)

Re: REBEL II - Laser cutter - TEST :)

Příspěvekod Rebel » 23.05.2016 12:16

No, z Repetiera frekvencne modulovany TTL zatim dostat nejde, takze to funguje jen na spusteni = 5V a vypnuti = 0V laseru. Tedy pripojis to na pin, ktery si ve FW nakonfigurujes pro laser.
  • 0

Dan - Rebel ? ;) - http://rebelove.org - Nevyzkoušíš = nevíš - Rebel I-III, Rebel sCUBE, Anycubic i3 MEGA, Anycubic - Kossel Mini, MeCretor2-upravený, Anycubic Photon, RR1, RR400M ! Pro STL přílohy použij čudlík "UMÍSTIT DO PŘÍSPĚVKU" !
Rebel
 
Příspěvky: 3896
Images: 243
Registrován: 12.08.2013 11:44
Bydliště: HK.......není Hong Kong :D
Reputation: 108
Zasloužil bys asi medajli :) Nebo jsi admin :D

Re: REBEL II - Laser cutter - TEST :)

Příspěvekod lubosh » 23.05.2016 12:55

Jasně, díky.
Taky by asi šlo připojit TTL vstup paraelně k "Z dir" na CNC fréze, a použít hloubku 0,01 mm.
Vyzkouším to, mohlo by to pak úplně stačit i na plochy z Cut2D.
Luboš
  • 0

lubosh
 
Příspěvky: 1101
Registrován: 19.11.2014 16:42
Bydliště: Praha 10
Reputation: 12
Jen tak dál :)

Re: REBEL II - Laser cutter - TEST :)

Příspěvekod Rebel » 23.05.2016 13:25

No, to asi ne. Funguje to malinko jinak. Ten laser se pousti s pohybem os X a Y a to jen pri "tisku" a ne travelu. Je to zaklete ve FW, v podstate se nespousti samostatnym povelem. Chce to novejsi FW, ktery ma primo podporu pro laser. PUdelal jsem to prez webkonfigurator. Akorat jsem to rozchazel na "nejlepsi" desce Cheaptronic v1, tak to byla malinko kovbojka :D Pouzil jsem budici pin pro topeni 2. hotendu, Vyhodil jsem FET, propojil gate s vystupem a vyhodil LEDku, prez kterou by se tam jinak cpalo 12V.
  • 0

Dan - Rebel ? ;) - http://rebelove.org - Nevyzkoušíš = nevíš - Rebel I-III, Rebel sCUBE, Anycubic i3 MEGA, Anycubic - Kossel Mini, MeCretor2-upravený, Anycubic Photon, RR1, RR400M ! Pro STL přílohy použij čudlík "UMÍSTIT DO PŘÍSPĚVKU" !
Rebel
 
Příspěvky: 3896
Images: 243
Registrován: 12.08.2013 11:44
Bydliště: HK.......není Hong Kong :D
Reputation: 108
Zasloužil bys asi medajli :) Nebo jsi admin :D

Re: REBEL II - Laser cutter - TEST :)

Příspěvekod lubosh » 23.05.2016 14:03

Promiň, myslel jsem na frézce s Linux CNC, ne na Ardiunu.
To by mohlo fungovat.
  • 0

lubosh
 
Příspěvky: 1101
Registrován: 19.11.2014 16:42
Bydliště: Praha 10
Reputation: 12
Jen tak dál :)

Re: REBEL II - Laser cutter - TEST :)

Příspěvekod Rebel » 23.05.2016 14:54

jj, to by asi mohlo, akorat to chce poladit rychlosti toho z na max. a mozna i akcelerace, aby ten laser zastavil opravdu jen minimalne, nebo spis nezastavil. Pri vetsich rychlostech, jsou na tenkych carach znat i akcelerace a deakcelerace, tedy zacatky a konce "car" tmavnou.
  • 0

Dan - Rebel ? ;) - http://rebelove.org - Nevyzkoušíš = nevíš - Rebel I-III, Rebel sCUBE, Anycubic i3 MEGA, Anycubic - Kossel Mini, MeCretor2-upravený, Anycubic Photon, RR1, RR400M ! Pro STL přílohy použij čudlík "UMÍSTIT DO PŘÍSPĚVKU" !
Rebel
 
Příspěvky: 3896
Images: 243
Registrován: 12.08.2013 11:44
Bydliště: HK.......není Hong Kong :D
Reputation: 108
Zasloužil bys asi medajli :) Nebo jsi admin :D

Re: REBEL II - Laser cutter - TEST :)

Příspěvekod lubosh » 23.05.2016 15:24

Tak to určitě, vytvořím si novou konfiguraci stroje a na "dirZ" použiju volný pin. Akcelerace a rychlosti na milion:-)
Pomocí M67 by se dala nastavit intenzita laseru vzhledem k rychlosti, ale nevím o Camu, který by to uměl použít a byl zdarma.
  • 0

lubosh
 
Příspěvky: 1101
Registrován: 19.11.2014 16:42
Bydliště: Praha 10
Reputation: 12
Jen tak dál :)

Re: REBEL II - Laser cutter - TEST :)

Příspěvekod Rebel » 23.05.2016 15:29

No, prave to je pomerne vyhoda toho Repetier fw s podporou laseru. V podstate to zapnuti laseru vubec neresis, pusti se sam s G1,2,3.
  • 0

Dan - Rebel ? ;) - http://rebelove.org - Nevyzkoušíš = nevíš - Rebel I-III, Rebel sCUBE, Anycubic i3 MEGA, Anycubic - Kossel Mini, MeCretor2-upravený, Anycubic Photon, RR1, RR400M ! Pro STL přílohy použij čudlík "UMÍSTIT DO PŘÍSPĚVKU" !
Rebel
 
Příspěvky: 3896
Images: 243
Registrován: 12.08.2013 11:44
Bydliště: HK.......není Hong Kong :D
Reputation: 108
Zasloužil bys asi medajli :) Nebo jsi admin :D

Re: REBEL II - Laser cutter - TEST :)

Příspěvekod lubosh » 31.05.2016 09:52

Takže úspěšně dokončeno!
Laser 5,5 W, první test na papír 250 g, rychlost 10 mm/s (propálilo se to i do podkladové dlaždice:-).
Zapínání jsem vyřešil z osy Z, při pohybu dolů se zapne, nahoru se vypne (setina mm na max rychlost). Stačí tudíž kód bez úpravy z Cut2D. Výhoda frézy oproti Rebelovi je, že se podklad nehýbe, tudíž gravírovaný předmět stačí položit.

https://www.youtube.com/watch?v=m2OsUQAenX8&feature=youtu.be
IMG_7616.jpg

IMG_7617.jpg
  • 0

lubosh
 
Příspěvky: 1101
Registrován: 19.11.2014 16:42
Bydliště: Praha 10
Reputation: 12
Jen tak dál :)

Re: REBEL II - Laser cutter - TEST :)

Příspěvekod mochr » 31.05.2016 11:02

vypada to pekne :) i rychlost vypada snesitelne. preklizku nebo balzu to asi neprepali ze ?
  • 0

mochr
 
Příspěvky: 226
Images: 2
Registrován: 18.09.2014 08:09
Bydliště: Blansko
Reputation: 0

Re: REBEL II - Laser cutter - TEST :)

Příspěvekod lubosh » 31.05.2016 11:55

Zatím jsem nezkoušel, večer otestuji, a napíšu.

...

Tak včera jsem zkusil plast, a za chvilku místnost plná kouře:-)
Bez odsávání to nepůjde, musím něco zbastlit.

Balsu zatím netestuji, a večer jdu na pivo...
  • 0

lubosh
 
Příspěvky: 1101
Registrován: 19.11.2014 16:42
Bydliště: Praha 10
Reputation: 12
Jen tak dál :)

Re: REBEL II - Laser cutter - TEST :)

Příspěvekod v3li » 01.06.2016 11:49

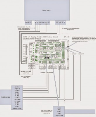
Pokud by jste chtěli tak tady je upravenej Marlin : https://github.com/timschmidt/buildlog- ... ter-marlin používám ho na CO2 ale půjde pohodlně i s LEDkou. laser se řídí pomocí:

zapíná M3,
vypíná M5,
výkon M3 S0-255
  • 0

Přílohy
CO2LaserRampsHookup.jpg
laser
v3li
 
Příspěvky: 87
Images: 2
Registrován: 21.01.2015 13:41
Reputation: 0

Re: REBEL II - Laser cutter - TEST :)

Příspěvekod lubosh » 03.06.2016 13:06

Úspěšně jsem řízl balsu 3 mm, ještě si budu muset pohrát s ostřením.
Rychlost 10 mm/s, jeden průchod.

zhora:
IMG_7621.jpg


zdola:
IMG_7620.jpg


detail:
IMG_7619.jpg
  • 0

lubosh
 
Příspěvky: 1101
Registrován: 19.11.2014 16:42
Bydliště: Praha 10
Reputation: 12
Jen tak dál :)

Re: REBEL II - Laser cutter - TEST :)

Příspěvekod Rebel » 03.06.2016 13:30

jo, tech 5W to da v pohode. Jedine s cim mam ja osobne problem je, ze takto rezane dily jdou blbe lepit. Proste ty opaleny rezy se museji dostatecne obrousit, jinak to dobre nedrzi :(
  • 0

Dan - Rebel ? ;) - http://rebelove.org - Nevyzkoušíš = nevíš - Rebel I-III, Rebel sCUBE, Anycubic i3 MEGA, Anycubic - Kossel Mini, MeCretor2-upravený, Anycubic Photon, RR1, RR400M ! Pro STL přílohy použij čudlík "UMÍSTIT DO PŘÍSPĚVKU" !
Rebel
 
Příspěvky: 3896
Images: 243
Registrován: 12.08.2013 11:44
Bydliště: HK.......není Hong Kong :D
Reputation: 108
Zasloužil bys asi medajli :) Nebo jsi admin :D

Re: REBEL II - Laser cutter - TEST :)

Příspěvekod peca » 03.06.2016 13:46

Když jsme se ptal, tak mi bylo doporučeno jet rychleji a propálit to na 2 až 3 průchody. Že se to tolik neopaluje a hrana řezu je rovnější (řez není tolik otevřené V).
---
edit: Bylo by možné na ukázku zkusit říznout 2 - 3 mm březovou (nebo jinou podobně tvrdou) překližku?

Každopádně gratuluji :)
  • 0

peca
 
Příspěvky: 263
Registrován: 01.09.2015 17:30
Bydliště: Jičín
Reputation: 0

Re: REBEL II - Laser cutter - TEST :)

Příspěvekod lubosh » 03.06.2016 14:06

Horní řez byl rychlejší, je vidět, že také ostřejší, ale někde se to neprořízlo úplně.
Tak jsem zpomalil na 10 mm/s, a to už šlo zkrz, ale hrany moc do "V". Mám ohnisko moc blízko, zkusím to prodloužit, a jet dva průchody a rychleji.
Překližku zkusím pak také.
Lepení jde dobře řídkým vteřiňákem. Nejprve se díly sesadí přesně k sobě, a ke spoji se naleje lepidlo. Je tekuté jak voda a rychle se vsákne. Kouty se pak dají vyplnit středním nebo hustým lepidlem.
L.
  • 0

lubosh
 
Příspěvky: 1101
Registrován: 19.11.2014 16:42
Bydliště: Praha 10
Reputation: 12
Jen tak dál :)

PředchozíDalší

Zpět na Jiná verze či vylepšení?

Kdo je online

Uživatelé procházející toto fórum: Žádní registrovaní uživatelé a 10 návštevníků