AHoj. tak přesně po 5 letech jdu s větší prosbičkou. Rebel tisknul, ne nějak moc, ale par spulek vytiskl, a kvalita byla pro me dostacujici. v prubehu dostal par nahradnich dilu a sem tam drobne vylepseni. ted ale... umrel.. a nejsem schopny neco vytisknout. vedel sem, ze potrebuje vetsi servis ale veril sem ze buggynu s nim jeste vytisknu a pak vytisnu lepsi dily.
zradil me extruder, udelala se vule na srouby co drzi hotend, tim padem se to cele viklalo a tisk ujizdel, a dalsi vec byla chlazeni tisku a heatbreaku. no proste se to po*** vsechno a ted nevytisknu nic:D.
jdu tedy s prosbou, jestli by mi nekdo vytisknul kompletni extruder. rebel mam ve verzi 28, tak nevim ktery se posledni kompatibilni, docela se mi libi verze rebela 2.b ale nejsem si jist jestli sedi roztec tyci, ty bych rad nechal,mam kalene Ø8. pokud by pasoval i z verze 33, tak bych ho taky uvital.
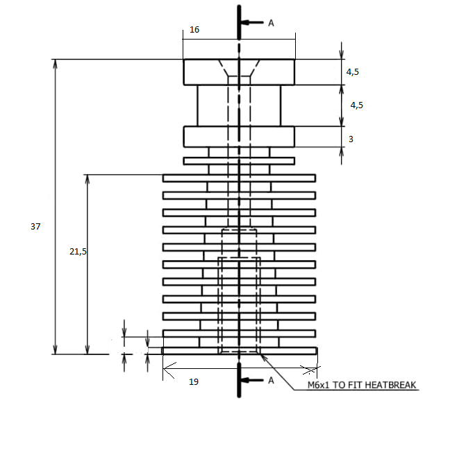
chladic hotendu mam "nejakou" verzi od 3draty s ptfe vlozkou - viz rozmery,
heat block sem menil nedavno, ale je stejny jako byl u 3draty +-.
k dispozici mam nekolik vetracku 40x40 a koupil sem i "turbofan" pro upgrade chlazeni.
zadarmo to samozrejme nechci, a pokud by to slo poslat zasiilkovnou bylo by to jeste lepsi.
shrnuto:-potrebuji komplet dily na extruder
--nejlip verze v33 nebo z II.b , ovsem pokud sedi roztec vodicich tyci (Ø8)
--musi pasovat chladic hotendu (viz obrazek)
-- chlazeni tisku, libi se mi z II.b, turbofan mam, i nejaky 40x40 vetracky.
-- nejlip oranzova barva
to by melo pro zprovozneni stacit,
dekuji vsem
tech verzi je uz tolik ze sem ztratil prehled....

- hotend chaldic.png (59.39 KiB) Zobrazeno 16514 krát